产品动态
您的位置: 主页 > 新闻中心 > 产品动态

ZHDY-3变电站电源综合测量单元说明

索引:ZHDY-3,变电站电源,变电站综合测量单元    发布日期:2022-09-28

1、ZHDY-3变电站电源综合测量单元简介

ZHDY-3单元负责采集直流系统中必要的数据量,并通过RS485接口将数据上传到监控主机。

ZHDY-3主要功能如下:

A、交流测量:检测2路三相交流电压。
B、直流测量:检测3路直流电压,2路电流,1路温度。
C、开关量输入:检测24路开关量输入。
D、开关量输出:提供8路开关量输出,其中K1、K2、K3可用于控制5/7级硅链。
 
2、ZHDY-3装配图与接线表
ZHDY-3 
图1:ZHDY-3 装配图

 
3、  ZHDY-3接线表
ZHDY-3 
表1:ZHDY-3接线表
 
 
4、  ZHDY-3端口定义表
ZHDY-3
表2:ZHDY-3端口定义表  
 
5、  电流传感器接线
ZHDY-3采用闭环型霍尔电流传感器进行电流采样,闭环型霍尔电流传感器具有良好的线性度及精度,低漂移,响应时间快、频带宽,原、副边之间高度绝缘。穿孔结构,无插入损耗,外壳符合UL94-V0标准。
图2为电流传感器接线示意图。
ZHDY-3综合测量单元 
图2:电流传感器接线示意图
 
6、  电池温度检测
温度传感器为已做好的成品,使用时将温度传感器端子接到“温度测量”采样端口即可。
 
7、  开关量输入检测
ZHDY-3开关量输入检测使用光耦隔离检测技术,检测24路开关量输入。开关量输入节点要为无源节点。ZHDY-3标示有“开关量输入”的接线端子的1~24针为1~24号开关量输入,标示有“COM”的接线端子为开关量输入的公共端。图3为开关量输入接线示意图。
ZHDY-3综合测量单元 
图3:开关量输入接线示意图
 
 
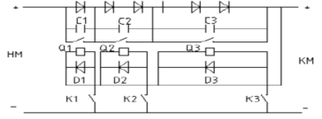
8、  开关量输出
ZHDY-3提供8个开关量输出,继电器结点容量AC250V/5A,DC30V/5A。8个开关量输出的分别标示为K1~K8。开关量输出定义由监控主机决定。其中K1、K2、K3可用于硅链控制。K4~K8用于自定义告警输出。图4为控制7 级硅链示意图,图5为控制5级硅链示意图。
 
ZHDY-3综合测量单元 
图4:控制7级硅链示意图
ZHDY-3综合测量单元 
图5:控制5级硅链示意图
 
9、  注意事项
(1) ZHDY-3采集交流电压、直流电压,这些采集量信号强,容易产生干扰,走线要分别走线,不能与其他数据线混在一起。
(2) 尽管ZHDY-3在设计时采取了防信号误接措施,但是在接通之前,还是有必要仔细确认接线,以防止危险。
(3) 系统中有其他绝缘测试设备或者进行设备耐压测试时,要将“控母电压”采样端子48号针与大地的连接断开。
(4) 在通电之前,仔细检查电流传感器接线,发现电流传感器温度高,应立即断开电源,检查接线。注意电流传感器原边电流方向。
(5) 电流传感器供电电源不能用做其他设备的供电电源。
(6) 温度传感器已经做好线,如果需要重新接线,一定要注意正确接线。温度传感器接口信号线之间不能短路,不能与其他设备的温度信号连接。
(7) RS485A与监控主机RS485A连接,RS485B与监控主机RS485B连接。
(8) 为防止交流电压测量值在交流告警点附近出现频繁告警,在判断时增加了5V的判断阈值。例如:设置交流过压告警值为420V,交流电压超过420V,监控报出交流异常告警,只有交流电压下降到415V以下时,交流异常告警才解除。
(9) 只有1 路交流电时,交流电压采样接入交流1 路端口。
(10) 监控系统不提供交流接触器,用户根据使用情况自行选择。
(11) 使用交流互投时,交流1 路的投切一定要用K9 控制,交流2 路的投切一定要用K10控制,否则控制将会出现混乱。。在ZHCL-3 上印着“交流1 路”“交流2 路”标识的端口是交流电压测
(12) 上印着“K9”“K10”标识的端口是交流互投接线端
ZHDY-3综合测量单元
图6:交流互投原理示意图
 
交流上电时,K4、JK2 是常闭节点,Q1 线圈加上交流电,Q1 吸合,交流1 路投入工作,Q1 吸合的同时,JK1 断开,实现交流互锁。
当交流1 路出现异常时,K4断开,Q1 线圈断电,Q1 断开,交流1 路切除,同时JK1 吸合;
经过4~6 秒钟后,此时,如果交流2 路正常,K5吸合,Q2 线圈加上交流电,Q2 吸合,交流2 路投入工作,Q2 吸合的同时,JK2 断开。
 
更多直流屏备品备件采购或直流屏维修,敬请联系广深直流屏技术服务中心,专业技术支持!