产品动态
您的位置: 主页 > 新闻中心 > 产品动态

ZJJ-101A直流系统接地监测装置功能及参数特点

索引:ZJJ-101A,直流系统接地监测装置,直流系统监测装置    发布日期:2021-08-30

 1.概述

ZJJ-101A直流系统接地监测装置用于对直流母线和支路的绝缘状况进行实时在线监测。此装置采用直流平衡电阻的检测方法,不对母线产生任何交流或直流干扰信号,不会造成人为绝缘电阻下降,适用于任意等级的发电厂、变电站。
本装置使用标准工业控制电脑结构和10英寸VGA液晶显示,全软件功能控制,完善的人机界面,操作运行过程有全程屏幕提示,操作运维人员可以轻松掌握。
2.特点
10英寸标准工业控制器结构, 体积小重量轻,安装维护方便;
直流平衡电阻检测法, 无母线干扰;
RS232打印机和RS232/485/RS422通讯接口;
可自动/手动巡检支路。
3.功能
3.1监测显示
双段母线电压值;   
双段母HJ线正负端对地电压值;
双段母线正负端对地电阻值;
所有支路号,漏电流值,绝缘电阻值;
最后发生的44次故障;
每次故障的类型、接地支路号、数据、时间。
3.2报警项
瞬间接地报警;
母线绝缘报警;
支路接地报警;
母线过、欠压报警。
3.3参数设定
过欠压、母线绝缘、支路接地报警门限值;
报警延迟时间;
串口速率和方式;时钟设置。 
4.工作原理
4.1 母线绝缘电阻的检测方法  
 传统的直流系统绝缘探测方法是电桥平衡法,如ZJJ-1绝缘监察继电器,其局限是不能检测正负母线绝缘电阻同时下降的情况。交流和变频探测的方法因对母线的干扰和不能应付大的分布电容而应用受到限制。
 近年发展了一种人为介入探测电阻的直流不平衡电桥法,实际使用中发现,为了探测正负侧同时存在的接地电阻,需不断的接入单侧探测接地电阻,导致正负母线对地电压不断变化,使运行人员因无法依据传统手测电压方式检察母线状况而无所适从,甚至有因对其工作原理不了解而误判为故障的现象发生。
 在本装置的设计中,对直流不平衡电桥法进行了修正。在不平衡电桥探测方法中,为了探测可能的同时接地,不断接入单侧探测电阻,实际上等效于一种人为的扰动。这种可能的同时接地需要满足两个条件:1.双侧接地电阻必须相等;  2.漏电必须同时发生。这两种情况同时发生实际上极为罕见。
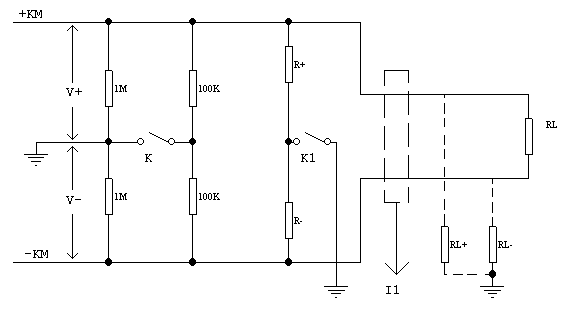
 基于以上分析,在正常运行中,本装置运用的是直流平衡电阻探测法,原理见下图。正常状态下只接入经精确调整的两个检测分压用1M电阻,正、负母线对地电压V+和V-应相等。当有接地电阻RL+、RL-存在时,只要V+和V-之差大于设定值,装置自动接入经精确校准的两个100K平衡电阻,这将矫正偏离的平衡电压,测量并取得此时的V+和V-;根据V+、V-、V+、V-,求解简单的二元一次方程,即可求出正负母线的绝缘电阻RL+、RL-。这种检测方法不破坏母线对地的平衡状态,无论从原理上和实际运行中都可被广泛接受。

ZJJ-101A
 母线和支路检测等效原理图
 
4.2支路接地电阻的检测方法
    只有检测到的母线绝缘电阻小于设定值而报警后,本装置才进入支路巡检状态,在一次支路检测中完成所有的支路扫描,但只对设定有效的支路进行故障判定。并且在一次母线接地故障中,支路只被巡检一次。母线绝缘报警复归后,支路接地报警同时复归。
    检测原理见上图,断开K,先检测电流传感器的零漂电流I1,然后K1闭合接入阻值更小的平衡电阻R+、R-,只要RL+和RL-不绝对相等,便有漏电流流过电流传感器而得测量电流值I1’,两者之差与实际漏电流成正比。根据漏电流和因此导致的平衡电压变化可求出支路绝缘电阻RL+,RL-的并联值,根据母线的绝缘状况即可判断出支路正负母线的绝缘状态。
4.3特殊情况  
    如果检测出的正负母线绝缘电阻值近似相等,装置将启动不平衡电桥的检测方式,可求解更精确的母线和支路绝缘电阻值。这种工作方式在有关文章和厂家的产品中已有说明,这里不再单独介绍。
 在控制母线和合闸母线分离系统中,两种母线可能共正极或共负极,通常合闸母线的电压高于控制母线,当其高端的正极或低端的负极接地时,计算所依据的母线变动电压将发生失准。此时所得的绝缘电阻值可能小于实际绝缘电阻值,误差则正比于两种母线的电压差,装置将提前绝缘报警。